◆ 温度范围:78K-500K、4.2K-500K
◆ 降温时间:(室温到78K液氮)30分钟;(室温到4.2K液氦)40分钟◆抽空时间:30min(与泵组相关)◆降温时间:室温到最低温(液氦5K)<60min、室温到最低温(液氮78K)<20min
◆ 升温时间:最低温到室温<40min(液氦),最低温到室温<20min(液氮)
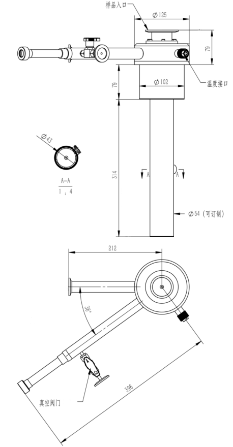
◆ 标准样品座:25x25mm
◆ 样品座通光:无
◆ 样品座材料:无氧铜镀金
◆ 样品托:可定制
◆ 低温储槽容积:030L(标准配置),可选50L、100L、150L